Starter-Kit HPH HSK63-A kurze schwere Ausführung
Product number:
XWT994080001
extrem hohe Haltekraft und Rundlaufgenauigkeit, schnelle Rüstzeiten möglich, Thermostabilität bis 170 °C, sehr gute Schwingungsdämpfung, alle handelsüblichen Werkzeuge spannbar, min. 550 Nm Spannkraft, einfaches und schnelles Spannen, lange Standzeiten, optimaler Rundlauf < 3 µm, Toleranz h6
Hinweis:
SK 40: Grundeinstellung Form AD, falls Form AF (ehem. B) gewünscht, bitte bei Bestellung angeben.
Hinweis:
SK 40: Grundeinstellung Form AD, falls Form AF (ehem. B) gewünscht, bitte bei Bestellung angeben.
BT 40: Grundeinstellung Form JD, falls Form JF (ehem. B) gewünscht, bitte bei Bestellung angeben.
Lieferumfang:
Hydro-Dehnspannfutter HPH, Sechskantschlüssel, 5 Reduzierhülsen ( Ø 6, 8, 10, 12, 16 mm) und Kunststoffkoffer
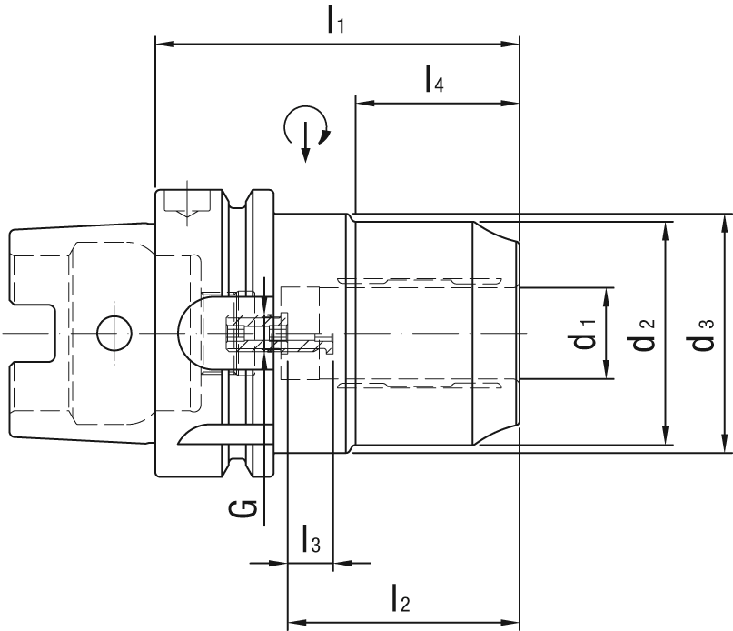
| Ausführung: | kurz und schwer |
|---|---|
| Einsatz: | zum HPC/HSC-Fräsen, Gewindefräsen, Bohren, Reiben und speziell für die Schwerzerspanung |
| Form: | A |
| Gewinde: | M8 x 1 |
| IK: | ja |
| Norm: | DIN 69893 |
| SW (mm): | 3 |
| Wuchtgüte: | G2,5 25000 |
| d1 (mm): | 20 |
| d2 (mm): | 49 |
| d3 (mm): | 52,5 |
| l1 (mm): | 80 |
| l2 (mm): | 51 |
| l3 (mm): | 10 |
| l4 (mm): | 36 |