Zum Hauptinhalt springen Zur Suche springen Zur Hauptnavigation springen

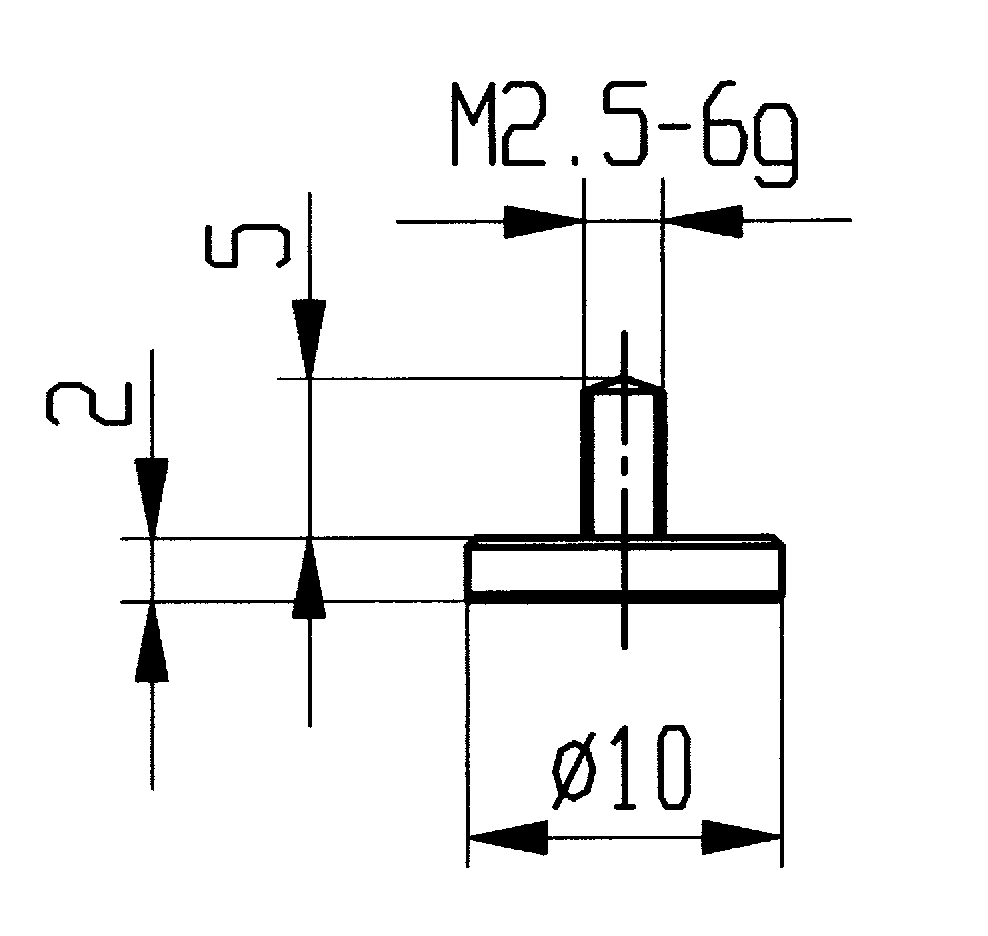
Messtastereinsatz Stahl M2,5 horizontaler Zylinder mit Einstellmutter

Artikelnummer: 3363024
Weitere Messeinsätze nach Kundenanforderung/-zeichnung auf Anfrage lieferbar!