Zum Hauptinhalt springen Zur Suche springen Zur Hauptnavigation springen

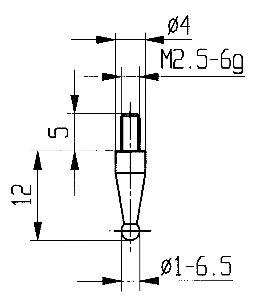
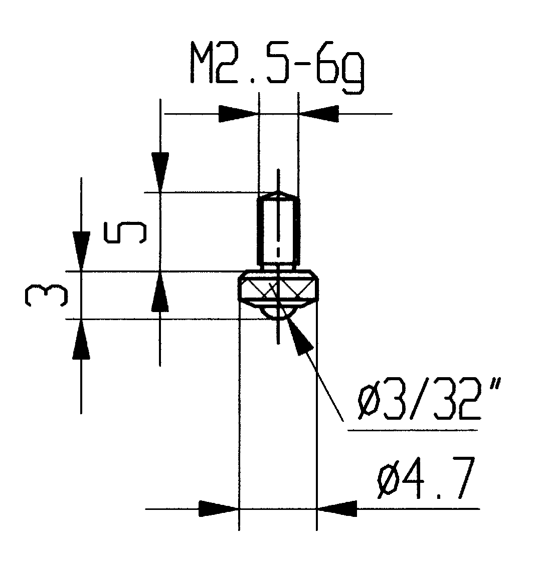
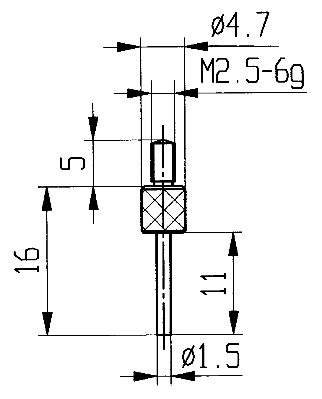
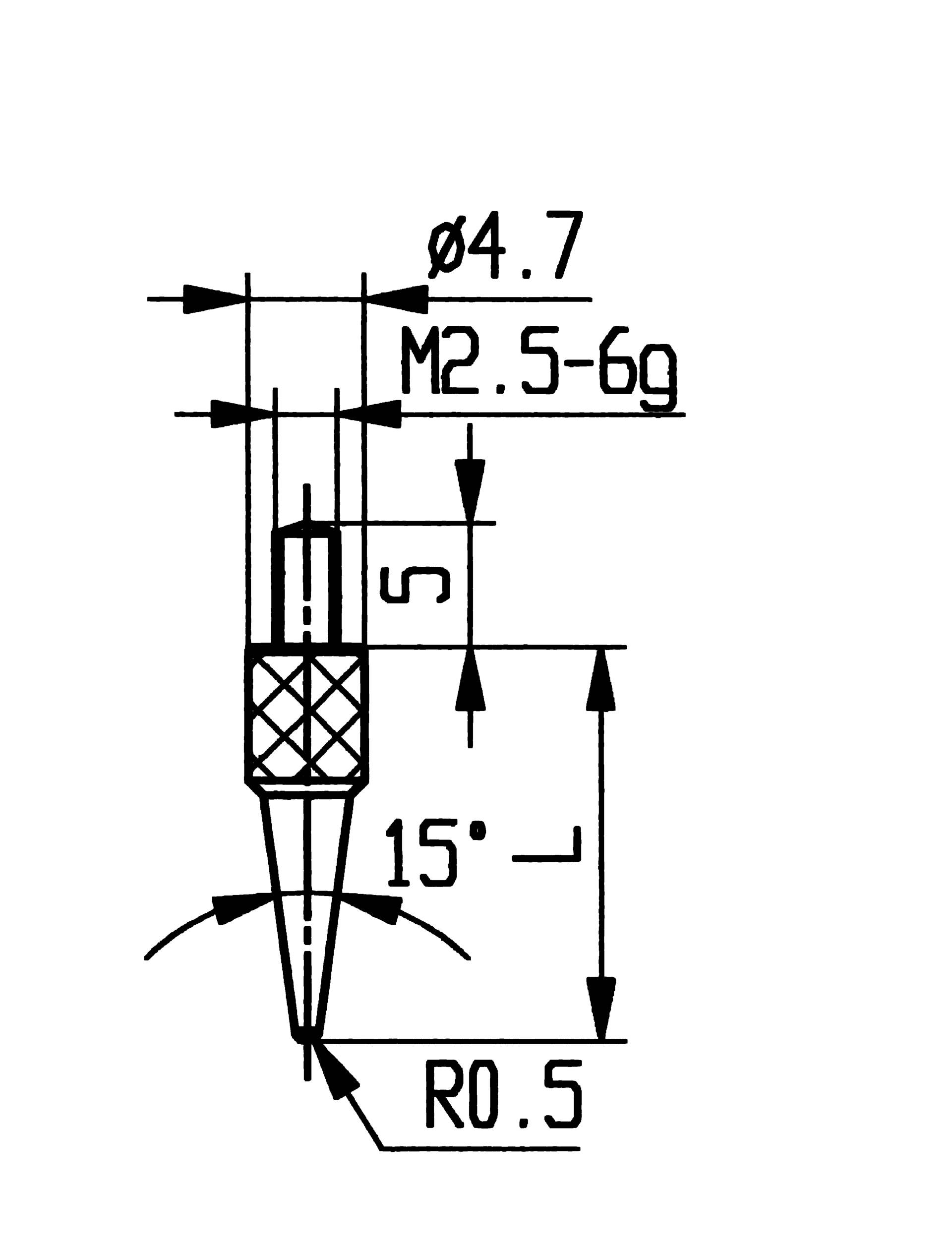
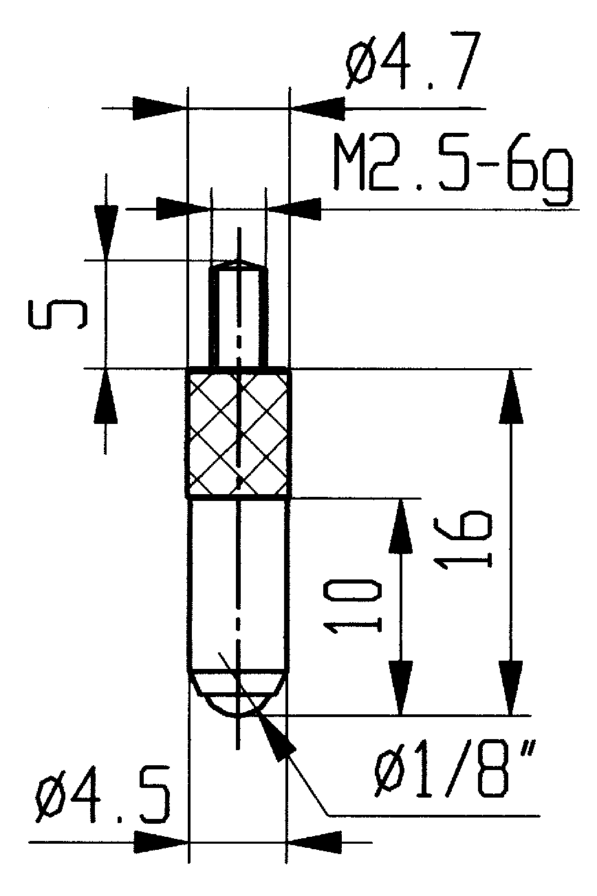
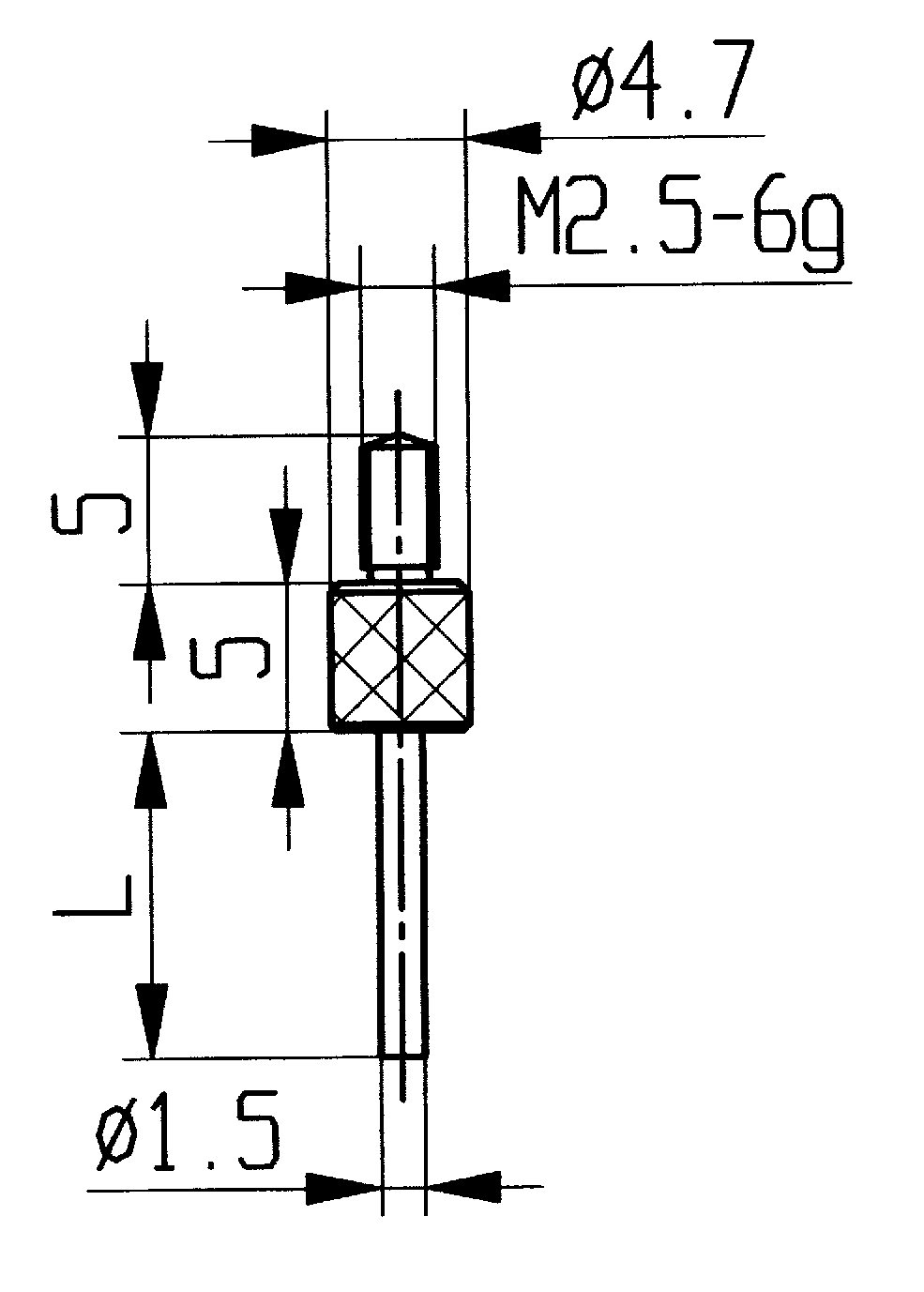
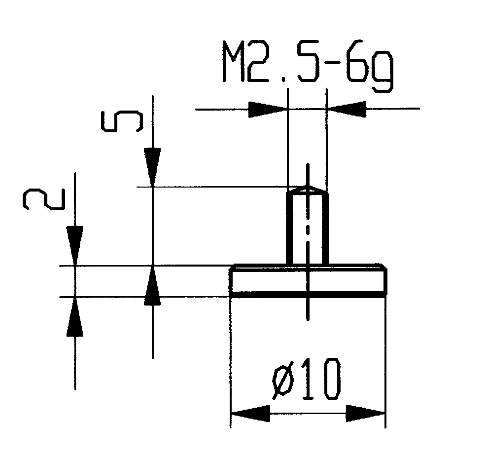
Messtastereinsatz Stahl M2,5 konisch Radius 0,5mm L16mm

Artikelnummer: 3363015/16
Weitere Messeinsätze nach Kundenanforderung/-zeichnung auf Anfrage lieferbar!